|
|
||||||||||||||||||||||||||||
Cubic 柔性組裝在批量生產中的運用
滾輪直線導軌和滾輪圓弧導軌(又名滾輪弧形導軌),可組成精密環形導軌;再加上驅動系統,就可以組成精密環形流水線,環形生產線或環形裝配線等各種循環線。這種導軌式循環線,結構更緊湊,定位精度更高,速度更快,更多的配置選擇;在很多方面,勝出傳統的輸送線!
Cubic 專業的柔性裝配、柔性裝配生產線、柔性裝配系統、柔性裝配、環形導軌柔性裝配線、柔性裝配工裝、柔性裝配技術、飛機柔性裝配、柔性自動化裝配線、柔性裝配線、使裝配體為柔性裝配專家。
現代化的生產工廠,總是在持續地尋找降低生產成本的方法,一個自動化方向就是:把各個工位盡量接近地放在一起,減少工件在工位之間的移動距離,并盡量減少占地空間;要實現這一點,就需要工件做環形運動,就需要采用環形線。環形線主要分為兩種,傳統非導軌式的和精密導軌式
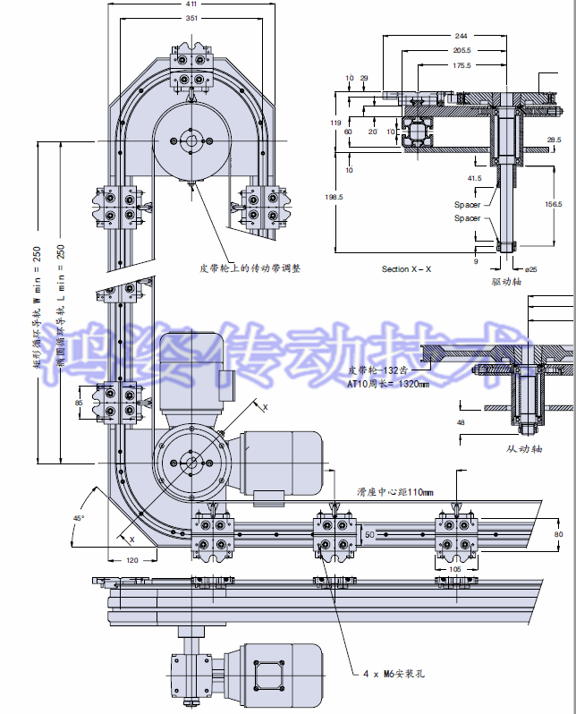
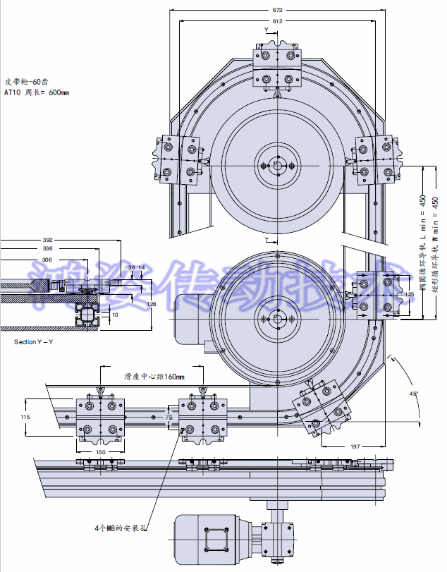
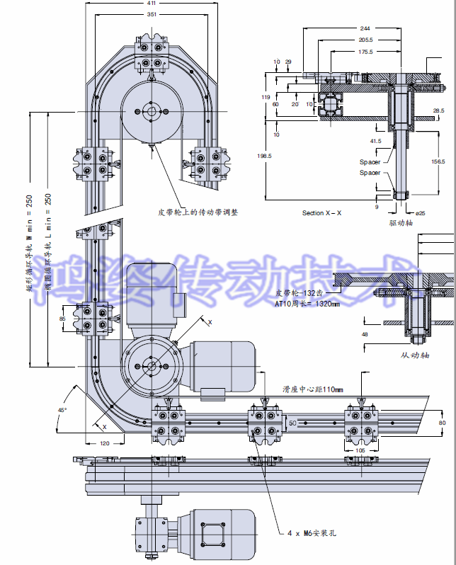
滾輪圓弧導軌,又名圓弧形導軌,弧形導軌;和滾輪直線導軌的原理是一樣的,通過V型滾輪在圓弧形V型導軌面上的滾動,實現圓周運動。把滾輪圓弧導軌和滾輪直線導軌結合在一起,就成為了滾輪環形導軌;圓弧導軌和直線導軌之間如果有接縫,就是拼接式環形導軌;如果沒有接縫,就是一體式環形導軌。
、
環形軌道配上傳動系統,就成為了循環小車線;再加上相應的伺服驅動,作為一種自動化系統,廣泛應用于自動化循環裝配/檢測中。
、
同步帶傳動環形軌道小車線
、
最高線速度可達3m/s. 通過螺桿驅動凸輪隨動件,也具有更大的驅動力;為了得到更大的驅動力,也可多個螺桿配合使用。可提供偏載承受裝置,來承受工作工位的額外作用力。在電子,包裝等行業,作為高速環形流水線/環形裝配線/環形生產線得到了廣泛的應用。

“工業4.0”領先的踐行者和卓越的供應商Cubic 致力于為各類機械和系統設備提供安全、精準、高效以及高性價比的傳動與控制技術。這加速了商品上市時間,并使系統具有出眾的正常運行時間。









