|
|
||||||||||||||||||||||||||||
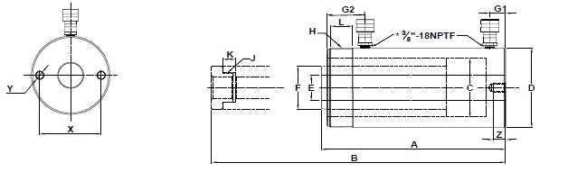
臺灣BVA雙作用中空油缸HDC系列
1、標準品共9款
2、鋼纜業拉緊的最佳配備
3、雙作用油缸由液壓油推動柱塞回復,適用于頻繁往復的應用
4、附外環螺牙保護環
5、防塵圈防止灰塵與污染物進入油缸內
6、全系列含高流量 ⅜″ NPTF接頭
7、整片式高強度合金導向環可有效避免側向負載同時增加油缸壽命
8、適用于推送與拉伸場合
9、最大工作壓力: 10,000 psi / 700 bar / 70Mpa

上海聞諾經營產品:壓接鉗 | 剝皮器 | 線纜切割 | 棘輪切刀 | 沖孔機 | 電纜彎曲器 | 電纜校直器 | 電纜打磨機 | 母線彎曲機 | 螺母破切器 | 母線切斷機 |角鋼加工機 | 磁座鉆 | 切割機 | 開孔器 | 液壓泵 | 油缸 | 扳手(品牌有:德國KLAUKE | 美國POWER TEAM | 美國KUDOS | 日本IZUMI | 美國GREENLEE | 德國NOVOPRESS | 美國SALISBURY | 瑞士MOS | 日本NGK | 法國DUBUIS | 日本IKURATOOLS | 日本KUKEN |日本SANKYO | 日本O.J | 日本Y.S | 韓國CTE | 意大利INTERCABLE | 美國RIPLEY |瑞典Husqvarna)等系列高端進口工具。