|
|
||||||||||||||||||||||||||||
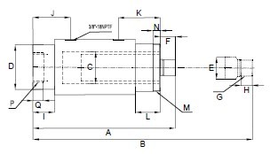
臺灣BVA機臺生產用精密雙作用油缸8噸、15噸:
1、專為生產線高次數使用而設計
2、柱塞與油缸本體由槍炮鉆加工高強度實心鐵棒材構成
3、防塵圈防止灰塵與污染物進入油缸內
4、可選配吊耳配件
5、最大工作壓力: 10,000 psi / 700 bar / 70Mpa

上海聞諾經營產品:壓接鉗 | 剝皮器 | 線纜切割 | 棘輪切刀 | 沖孔機 | 電纜彎曲器 | 電纜校直器 | 電纜打磨機 | 母線彎曲機 | 螺母破切器 | 母線切斷機 | 角鋼加工機 | 磁座鉆 | 切割機 | 開孔器 | 液壓泵 | 油缸 | 扳手(品牌有:德國KLAUKE | 美國POWER TEAM | 美國KUDOS | 日本IZUMI | 美國GREENLEE | 德國NOVOPRESS | 美國SALISBURY | 瑞士MOS | 日本NGK | 法國DUBUIS | 日本IKURATOOLS | 日本KUKEN |日本SANKYO | 日本O.J | 日本Y.S | 韓國CTE| 意大利INTERCABLE | 美國RIPLEY |瑞典Husqvarna)等系列高端進口工具。